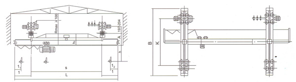
LX 型电动单梁悬挂起重机与CD1 、MD1型电动葫芦配套使用,成为一种有轨运行的轻小型起重机。用于机械、装配及仓库等场所。本产品为地面操纵.工作环境温度-25 ℃-+40 ℃ 禁止在易燃、易爆及腐蚀性介质环境工作。
LX model single beam suspension motor Crane and CD1model and MD1 model electric hoist are used together as a complete set. It is a light duty track travelling crane with trajectory which applies to and used at machinery, assembling sites and warehouses. This product adopts ground controlling and works at a temperature of 25℃ to 40℃ . It is prohibited to use the equipment at combustible, explosive or corrosive environment.



勇于创新,技术领先
真诚为您提供最优的服务



